产品介绍

技术参数
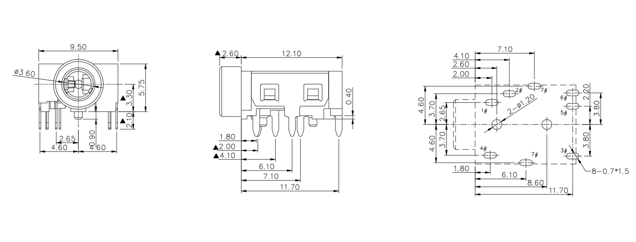
● 插座内芯(Inner core):Ø3.5 | ● 绝缘电阻(Insulation resistance):≥100MΩ |
● 插外孔(0uter hole): Ø6.0 | ● 耐电压(Withstand voltage):500VAC for 1 min |
● 温度范围(0perating temp):-25℃ T0+70℃) | ● 操作寿命(0peration life):5000Cycles Min |
● 额定负荷(Rated load):DC30V 0.5A | ● 插拔力(0perating force):3-30N |
● 接触电阻(Contact resistance):≤0.03Ω | ● 焊接方式(Welding mode): |
● 绝缘电阻(Insulation resistance):≥100MΩ | ● 包装方式(Packing method): |
● 耐电压(Withstand voltage):500VAC for 1 min | ● 最小包装(Minimum packing): |
资料下载
相关推荐
-
PJ-3.5-342B-CS-001(前插后贴)耳机插座 L14.0*W6.3*H4.5*CH2.25 30...
-
PJ-3.5-327A直插1.0耳机插座 L14.0*W6.0*H4.4 30V0.5A
-
PJ-3.5-315A-9P耳机插座 L18.0*W13.0*H10.5*CH6.45 ...
-
PJ-3.5-393X-B(贴片)耳机插座 L14.5*W6.5*H5.0*CH2.5 30V...


















































































































