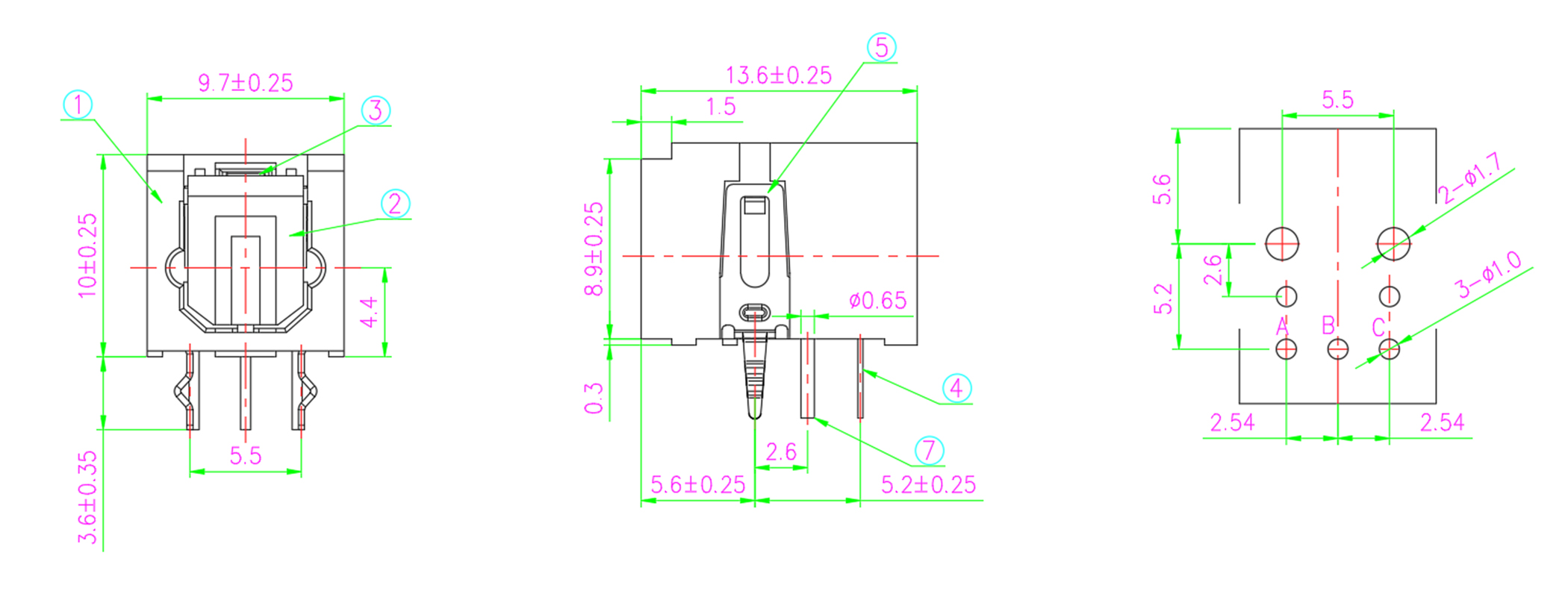
产品介绍
技术参数
● 插座内芯(Inner core): | ● 绝缘电阻(Insulation resistance):≥100MΩ |
● 插外孔(0uter hole): | ● 耐电压(Withstand voltage):500VAC for 1 min |
● 温度范围(0perating temp): | ● 操作寿命(0peration life): |
● 额定负荷(Rated load): | ● 插拔力(0perating force): |
● 接触电阻(Contact resistance): | ● 焊接方式(Welding mode): |
● 绝缘电阻(Insulation resistance):≥100MΩ | ● 包装方式(Packing method): |
● 耐电压(Withstand voltage):500VAC for 1 min | ● 最小包装(Minimum packing): |
资料下载
相关推荐
-
SXT-046光纤插座 L13.75*W12.0*H11.55


















































































































