产品介绍
技术参数
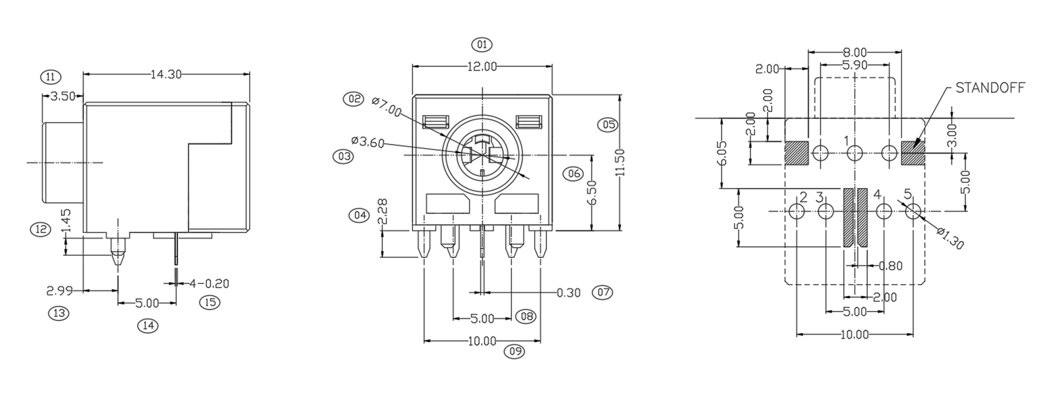
● 插座内芯(Inner core):Ø3.5 | ● 绝缘电阻(Insulation resistance):≥100MΩ |
● 插外孔(0uter hole):Ø7.0 | ● 耐电压(Withstand voltage):500VAC for 1 min |
● 温度范围(0perating temp):-40℃ T0+85℃) | ● 操作寿命(0peration life):5000Cycles Min |
● 额定负荷(Rated load):DC12V 1A | ● 插拔力(0perating force):3-30N |
● 接触电阻(Contact resistance):≤0.05Ω | ● 焊接方式(Welding mode): |
● 绝缘电阻(Insulation resistance):≥100MΩ | ● 包装方式(Packing method): |
● 耐电压(Withstand voltage):500VAC for 1 min | ● 最小包装(Minimum packing): |
资料下载
相关推荐
-
PJ-3.5-335H-CH4.0-002A_外壳无弹片耳机插座 L13.5*W9.5*H6.45*CH4.0 30...
-
PJ-3.5-317SD加弹片耳机插座 L14.6*W12.0*H9.9 30V0.5A
-
PJ-3.5-325TM 螺牙头 带外壳耳机插座 L18.4*W9.8*H12.8*CH7.0 30...
-
PJ-3.5-3088A(贴片)耳机插座 L14.6*W6.7*H4.5*CH2.25 12...


















































































































