产品介绍

技术参数
● 插座内芯(Inner core): | ● 绝缘电阻(Insulation resistance):≥500MΩ |
● 插外孔(0uter hole): | ● 耐电压(Withstand voltage):500VAC for 1 min |
● 温度范围(0perating temp):-40℃ T0+85℃) | ● 耐久性(DURRABILITY):750 CYCLES Min |
● 额定负荷(Rated load):DC125V 1.5A | ● 插拔力(0perating force):22N Max |
● 接触电阻(Contact resistance):≤0.03Ω | ● 焊接方式(Welding mode): |
● 绝缘电阻(Insulation resistance):≥500MΩ | ● 包装方式(Packing method): |
● 耐电压(Withstand voltage):500VAC for 1 min | ● 最小包装(Minimum packing): |
资料下载
相关推荐
-
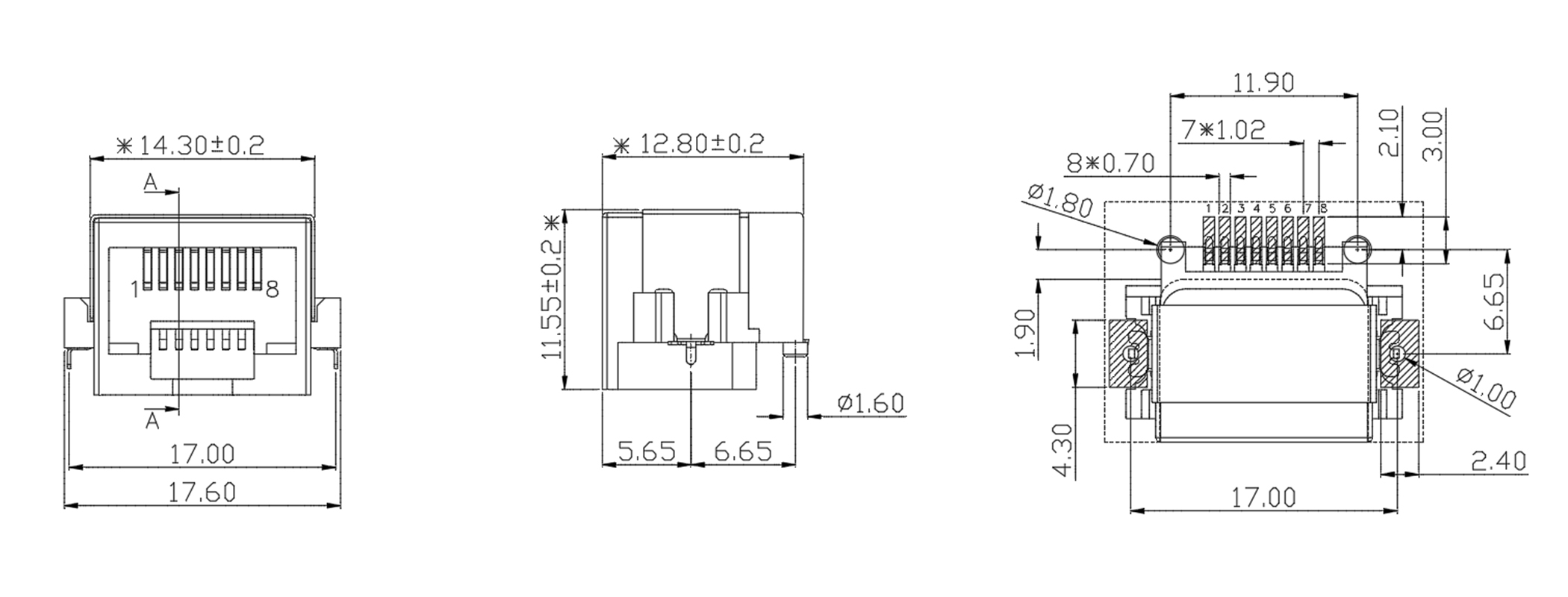
RJ45-032 RJ沉板腰带式不锈钢网络插座 L14.3*W12.8*H11.55 125V1....
-
RJ45-107 - 012 - XX 沉板4.6 SMT GF LCP黑网络插座 L16.0*W14.0*H5.5 125V1.5A
-
RJ45-KRV-1-NS网络插座 L15.85*W15.6*H12.95


















































































































