产品介绍
技术参数
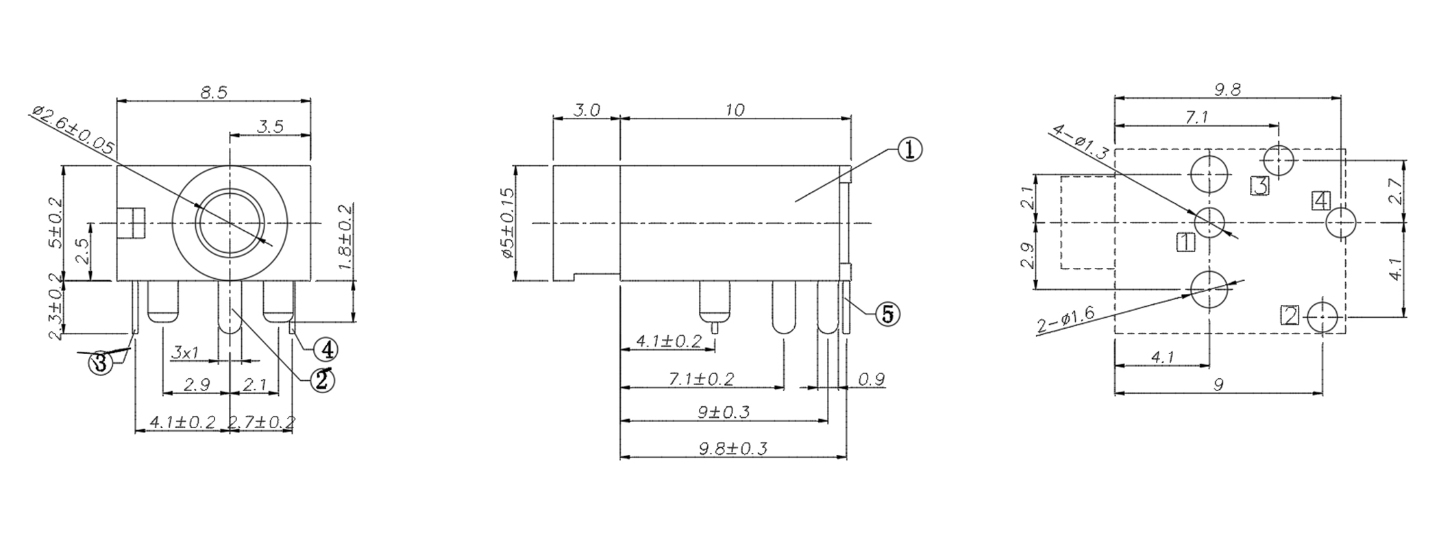
● 插座内芯(Inner core):Ø2.5 | ● 绝缘电阻(Insulation resistance):≥100MΩ |
● 插外孔(0uter hole):Ø5.0 | ● 耐电压(Withstand voltage):500VAC for 1 min |
● 温度范围(0perating temp): | ● 操作寿命(0peration life):3500Cycles Min |
● 额定负荷(Rated load):DC30V 0.5A | ● 插拔力(0perating force):3-25N |
● 接触电阻(Contact resistance):≤0.03Ω | ● 焊接方式(Welding mode): |
● 绝缘电阻(Insulation resistance):≥100MΩ | ● 包装方式(Packing method): |
● 耐电压(Withstand voltage):500VAC for 1 min | ● 最小包装(Minimum packing): |
资料下载
相关推荐
-
PJ-4.5-432A新正功能耳机插座 L20.85*W10.0*H6.5 30V0.5A
-
PJ-2.5-20090耳机插座 L12.0*W5.0*H4.0*CH2.0 30V...
-
PJ-3.5-327D耳机插座 L14.0*W6.0*H4.4*CH2.2 30V...
-
PJ-3.5-108H-CH5.0耳机插座 L14.7*W9.5*H7.45*CH5.0 30...


















































































































