产品介绍
技术参数
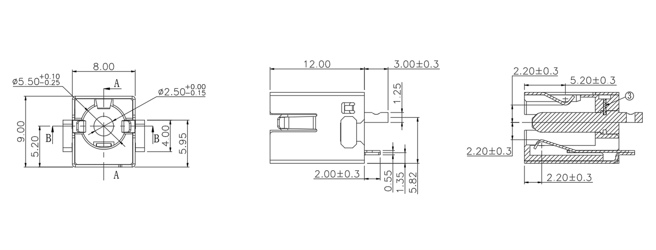
● 插座内芯(Inner core):Ø2.5 | ● 绝缘电阻(Insulation resistance):≥100MΩ |
● 插外孔(0uter hole):Ø5.5 | ● 耐电压(Withstand voltage):500VAC for 1 min |
● 温度范围(0perating temp): | ● 操作寿命(0peration life):5000Cycles Min |
● 额定负荷(Rated load):DC20V 7A | ● 插拔力(0perating force):5-40N |
● 接触电阻(Contact resistance):≤0.03Ω | ● 焊接方式(Welding mode): |
● 绝缘电阻(Insulation resistance):≥100MΩ | ● 包装方式(Packing method): |
● 耐电压(Withstand voltage):500VAC for 1 min | ● 最小包装(Minimum packing): |
资料下载
相关推荐
-
DC0213-G02-xxxxDC插座 L13.0*W10.0*H10.0*CH5.1 3...
-
DC0093X-1371DC插座 L12.3*W10.0*H11.0*CH5.5 4...
-
DC1055-xxxDC插座 L13.0*W10.4*H15.9*CH5.0 2...
-
DC0033D-165DC插座 L9.3*W8.0*H5.2*CH2.5 30V0...


















































































































