产品介绍
技术参数
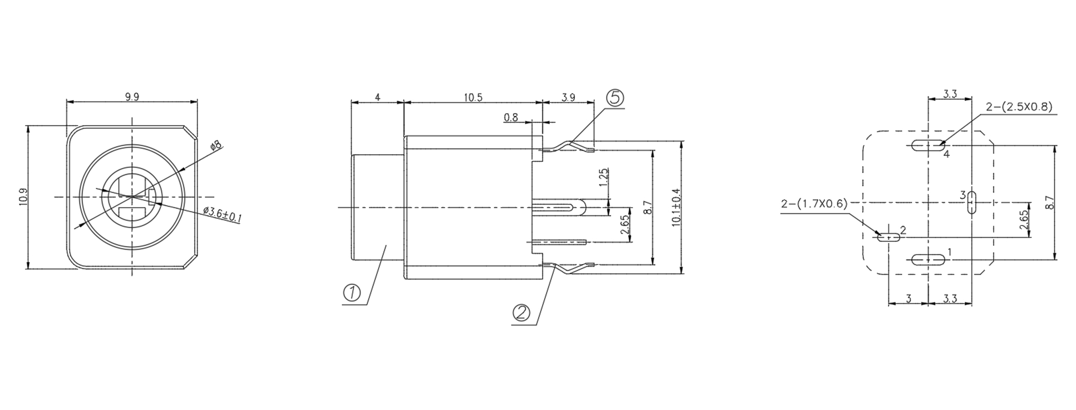
● 插座内芯(Inner core):Ø3.5 | ● 绝缘电阻(Insulation resistance):≥100MΩ |
● 插外孔(0uter hole):Ø8.0 | ● 耐电压(Withstand voltage):500VAC for 1 min |
● 温度范围(0perating temp):-25℃ T0+70℃) | ● 操作寿命(0peration life):5000Cycles Min |
● 额定负荷(Rated load):DC30V 0.5A | ● 插拔力(0perating force):3-30N |
● 接触电阻(Contact resistance):≤0.03Ω | ● 焊接方式(Welding mode): |
● 绝缘电阻(Insulation resistance):≥100MΩ | ● 包装方式(Packing method): |
● 耐电压(Withstand voltage):500VAC for 1 min | ● 最小包装(Minimum packing): |
资料下载
相关推荐
-
PJ-2.5-242D-xxx(贴片)耳机插座 L11.5*W5.0*H3.0*CH1.4 30V...
-
PJ-3.5-342-CH08(无头沉板)耳机插座 L12.3*W7.5*H4.2 30V1A
-
PJ-3.5-3567(贴片)耳机插座 L13.2*W6.4*H4.0*CH2.1 12V...
-
PJ-3.5-316AB耳机插座 L17.0*W7.0*H8.4*CH5.0 30V...


















































































































