产品介绍

技术参数
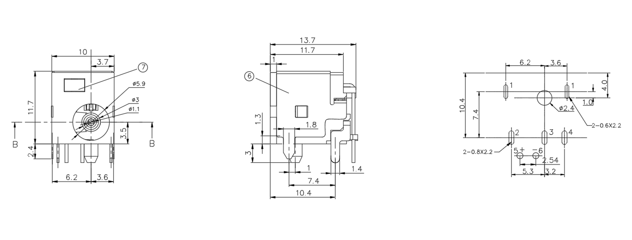
● 插座内芯(Inner core):Ø3.0 | ● 绝缘电阻(Insulation resistance):≥100MΩ |
● 插外孔(0uter hole): Ø5.9 | ● 耐电压(Withstand voltage):500VAC for 1 min |
● 温度范围(0perating temp):-25℃ T0+70℃) | ● 操作寿命(0peration life):5000Cycles Min |
● 额定负荷(Rated load):DC20V 3A | ● 插拔力(0perating force):3-30N |
● 接触电阻(Contact resistance):≤0.03Ω | ● 焊接方式(Welding mode): |
● 绝缘电阻(Insulation resistance):≥100MΩ | ● 包装方式(Packing method): |
● 耐电压(Withstand voltage):500VAC for 1 min | ● 最小包装(Minimum packing): |
资料下载
相关推荐
-
DC0093 高导铜DC插座 L12.3*W10.0*H11.0*CH5.5 2...
-
DC0002FDC插座 L14.0*W5.2*H7.4*CH3.7 12V...
-
DC0005-A102-XXXDC插座 L13.6*W8.9*H10.9*CH6.5 30...
-
DC0194A-B-1010-8DC插座 Ø8.0*H5.7*Ø10.0 12V1A


















































































































