产品介绍
技术参数
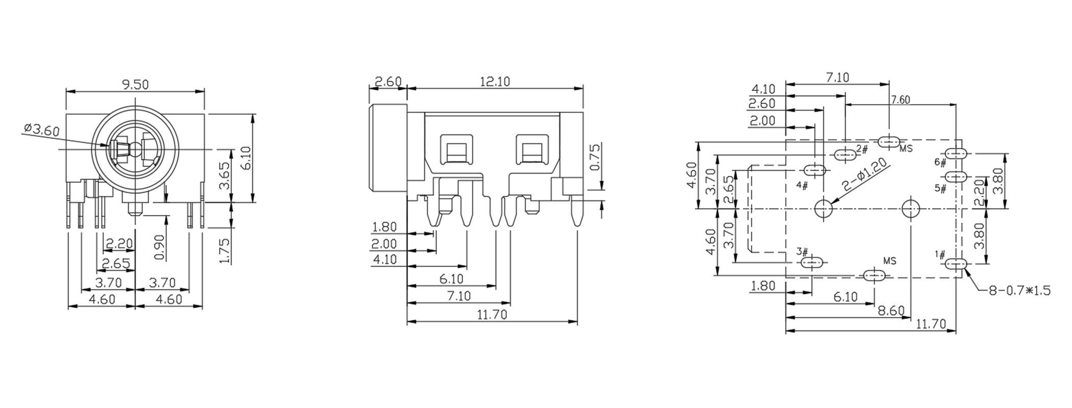
● 插座内芯(Inner core):Ø3.5 | ● 绝缘电阻(Insulation resistance):≥100MΩ |
● 插外孔(0uter hole): Ø6.0 | ● 耐电压(Withstand voltage):500VAC for 1 min |
● 温度范围(0perating temp):-25℃ T0+70℃) | ● 操作寿命(0peration life):5000Cycles Min |
● 额定负荷(Rated load):DC30V 0.5A | ● 插拔力(0perating force):3-30N |
● 接触电阻(Contact resistance):≤0.03Ω | ● 焊接方式(Welding mode): |
● 绝缘电阻(Insulation resistance):≥100MΩ | ● 包装方式(Packing method): |
● 耐电压(Withstand voltage):500VAC for 1 min | ● 最小包装(Minimum packing): |
资料下载
相关推荐
-
PJ-3.5-170N(沉板)耳机插座 L14.1*W9.75*H4.9*CH2.4 12...
-
PJ-3.5-3930-DZ耳机插座 L12.6*W21.6*H35.5*CH6.49/...
-
PJ-3.5-2001耳机插座 L13.7*W12.6*H17.3*CH3.0/1...
-
PJ-3.5-0812(沉板)耳机插座 L14.15*W10.1*H4.9*CH2.3 1...


















































































































