产品介绍
技术参数
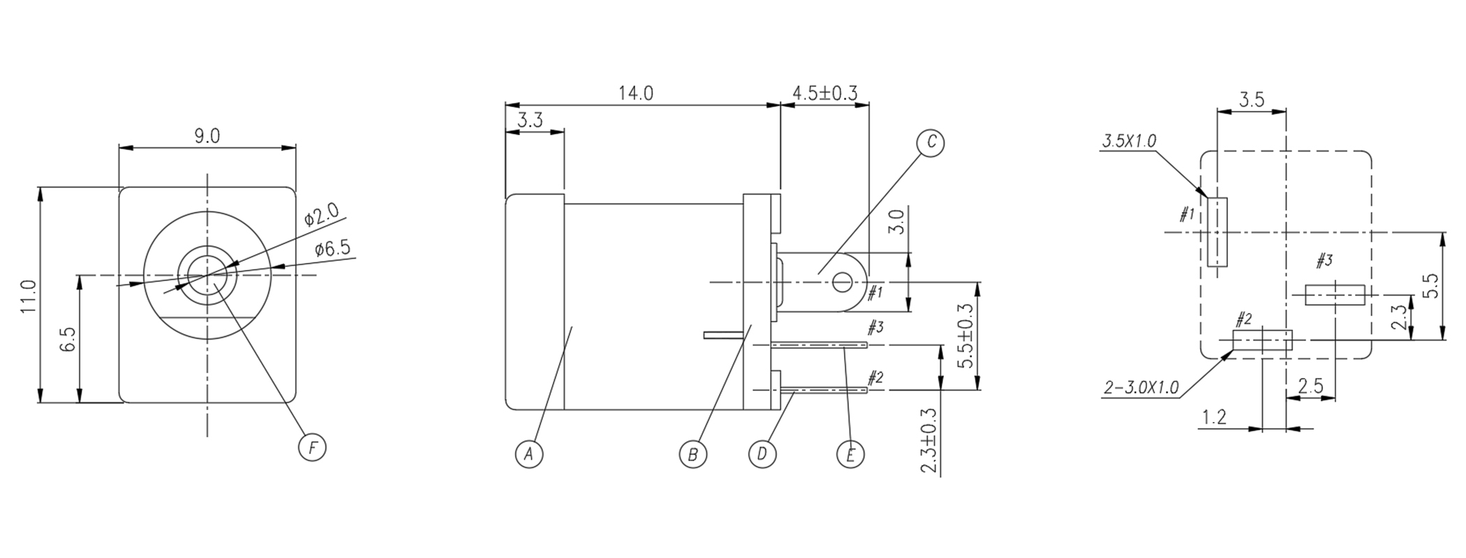
● 插座内芯(Inner core):Ø2.0 | ● 绝缘电阻(Insulation resistance):≥100MΩ |
● 插外孔(0uter hole): Ø6.5 | ● 耐电压(Withstand voltage):500VAC for 1 min |
● 温度范围(0perating temp):-40℃ T0+85℃) | ● 操作寿命(0peration life):5000Cycles Min |
● 额定负荷(Rated load):DC30V 3A | ● 插拔力(0perating force):5-15N |
● 接触电阻(Contact resistance):≤0.03Ω | ● 焊接方式(Welding mode): |
● 绝缘电阻(Insulation resistance):≥100MΩ | ● 包装方式(Packing method): |
● 耐电压(Withstand voltage):500VAC for 1 min | ● 最小包装(Minimum packing): |
资料下载
相关推荐
-
DC0213C-H42-XX脚加长DC插座 L13.0*W10.0*H10.0*CH5.1 2...
-
DC0013-XX H15.5DC插座 L13.2*W9.0*H11.0*CH6.5 30...
-
DC0005X-2.0DC插座 L14.4*W9.0*H11.0*CH6.5 20...
-
DC0503B H1.2DC插座 L12.7*W7.8*H5.5*CH2.4 24V...


















































































































