产品介绍
技术参数
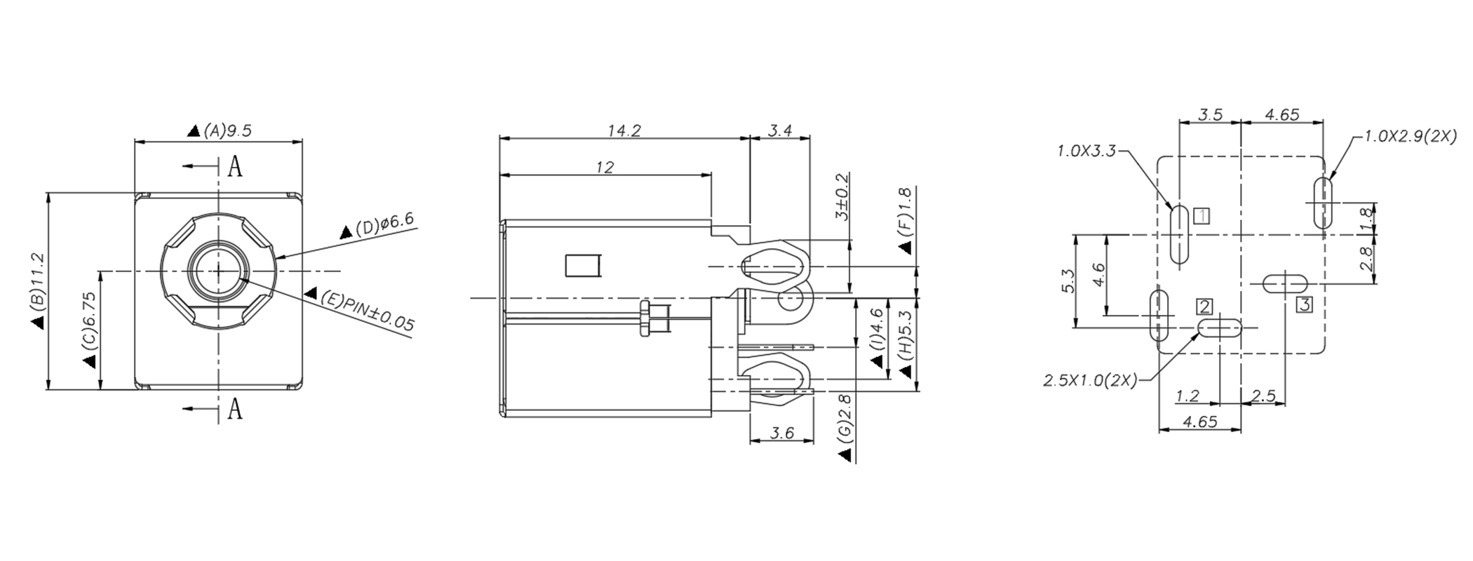
● 插座内芯(Inner core):Ø1.65/2.0/2.5 | ● 绝缘电阻(Insulation resistance):≥100MΩ |
● 插外孔(0uter hole): Ø6.6 | ● 耐电压(Withstand voltage):500VAC for 1 min |
● 温度范围(0perating temp):-20℃ T0+70℃) | ● 操作寿命(0peration life):5000Cycles Min |
● 额定负荷(Rated load):DC20V 5A | ● 插拔力(0perating force):3-30N |
● 接触电阻(Contact resistance):≤0.03Ω | ● 焊接方式(Welding mode): |
● 绝缘电阻(Insulation resistance):≥100MΩ | ● 包装方式(Packing method): |
● 耐电压(Withstand voltage):500VAC for 1 min | ● 最小包装(Minimum packing): |
资料下载
相关推荐
-
DC0005C-A100-013-02DC插座 L14.2*W8.9*H10.9*CH6.5 30...
-
DC0195BDC插座 Ø13.5*Ø12.0*H5.0 12V3A
-
DC0005XM-FN-XXXXDC插座 L14.1*W9.0*H11.4*CH6.5 20...
-
DC0044E-05190-XXXDC插座 L11.6*W10.2*H7.4*CH3.5 30...


















































































































