产品介绍
技术参数
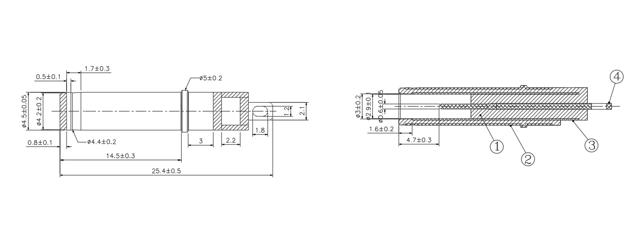
● 插座内芯(Inner core):Ø0.6 | ● 绝缘电阻(Insulation resistance):≥100MΩ |
● 插外孔(0uter hole): Ø3.0 | ● 耐电压(Withstand voltage):500VAC for 1 min |
● 温度范围(0perating temp):-25℃ T0+70℃) | ● 操作寿命(0peration life):5000Cycles Min |
● 额定负荷(Rated load):DC12V 1A | ● 插拔力(0perating force):3-30N |
● 接触电阻(Contact resistance):≤0.03Ω | ● 焊接方式(Welding mode): |
● 绝缘电阻(Insulation resistance):≥100MΩ | ● 包装方式(Packing method): |
● 耐电压(Withstand voltage):500VAC for 1 min | ● 最小包装(Minimum packing): |
资料下载
相关推荐
-
DC1055-xxxDC插座 L13.0*W10.4*H15.9*CH5.0 2...
-
DC0005L-XX 2脚DC插座 L13.0*W10.0*H10.0*CH5.1 2...
-
DC0114-XXXXDC插座 L10.25*W7.2*H11.6*CH3.5 2...
-
DC0260DC插座 L21.5*W5.3*Ø6.5 20V15A


















































































































