产品介绍
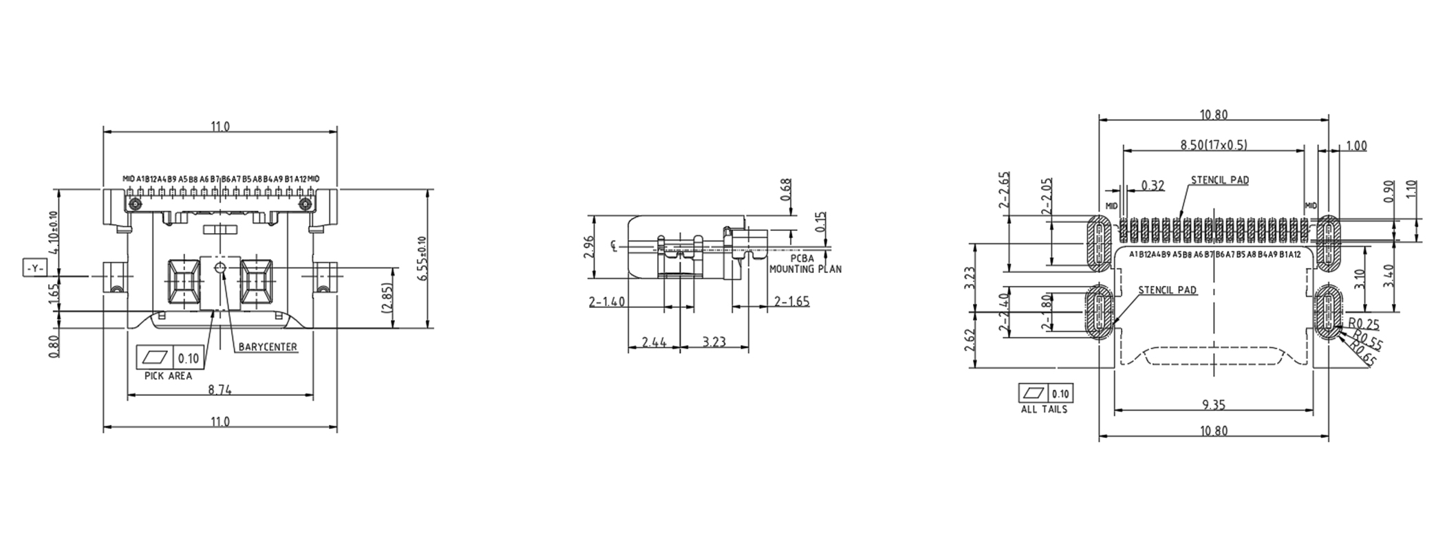
技术参数
● 插座内芯(Inner core): | ● 绝缘电阻(Insulation resistance):≥100MΩ |
● 插外孔(0uter hole): | ● 耐电压(Withstand voltage):100VAC for 1 min |
● 温度范围(0perating temp):-40℃ T0+85℃) | ● 操作寿命(0peration life): |
● 额定负荷(Rated load):DC30V 5A | ● 插拔力(0perating force):5-20N |
● 接触电阻(Contact resistance):≤0.03Ω | ● 焊接方式(Welding mode): |
● 绝缘电阻(Insulation resistance):≥100MΩ | ● 包装方式(Packing method): |
● 耐电压(Withstand voltage):100VAC for 1 min | ● 最小包装(Minimum packing): |
资料下载
相关推荐
-
TYPEC-A1193 USB3.1 24P CH=1.5 双贴 防水IPX8长体TYPEC连接器 L9.84*W8.65*H4.06 5V5...
-
TYPEC-124 前插后贴 三模 有柱外壳TYPEC连接器 L8.94*W6.35*H3.25 30V...
-
TYPEC-A905 6PIN 直立式半包H6.8防水型母座TYPEC连接器 L10.44*W7.1*H4.66 5V3...
-
TYPEC-103TYPEC连接器 L11.0*W7.0*H15.0


















































































































