产品介绍

技术参数
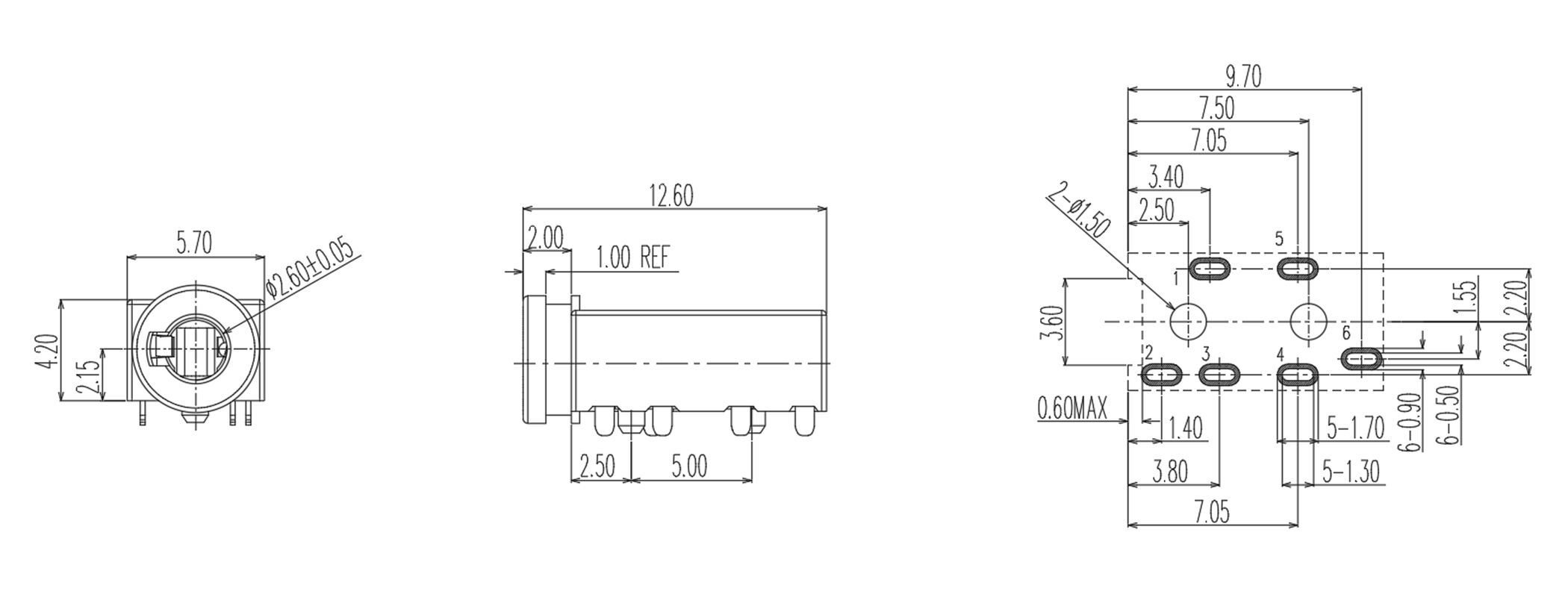
● 插座内芯(Inner core):Ø2.5 | ● 绝缘电阻(Insulation resistance):≥100MΩ |
● 插外孔(0uter hole):Ø5.3 | ● 耐电压(Withstand voltage):500VAC for 1 min |
● 温度范围(0perating temp):-25℃ T0+85℃) | ● 操作寿命(0peration life):5000Cycles Min |
● 额定负荷(Rated load):DC1A | ● 插拔力(0perating force):3-30N |
● 接触电阻(Contact resistance):≤0.1Ω | ● 焊接方式(Welding mode): |
● 绝缘电阻(Insulation resistance):≥100MΩ | ● 包装方式(Packing method): |
● 耐电压(Withstand voltage):500VAC for 1 min | ● 最小包装(Minimum packing): |
资料下载
相关推荐
-
PJ-6.35-102-7P-9耳机插座 L35.5*W18.0*H11.0*CH6.5 3...
-
PJ-3.5-328D-XX(贴片)耳机插座 L17.0*W6.7*H5.0*CH2.5 30V...
-
PJ-3.5-335HE-CH3.85耳机插座 L13.5*W9.0*H6.1*CH3.85 30...
-
PJ-2.5-218加长(贴片)耳机插座 L13.0*W5.0*H4.0*CH2.0 30V...


















































































































