产品介绍
技术参数
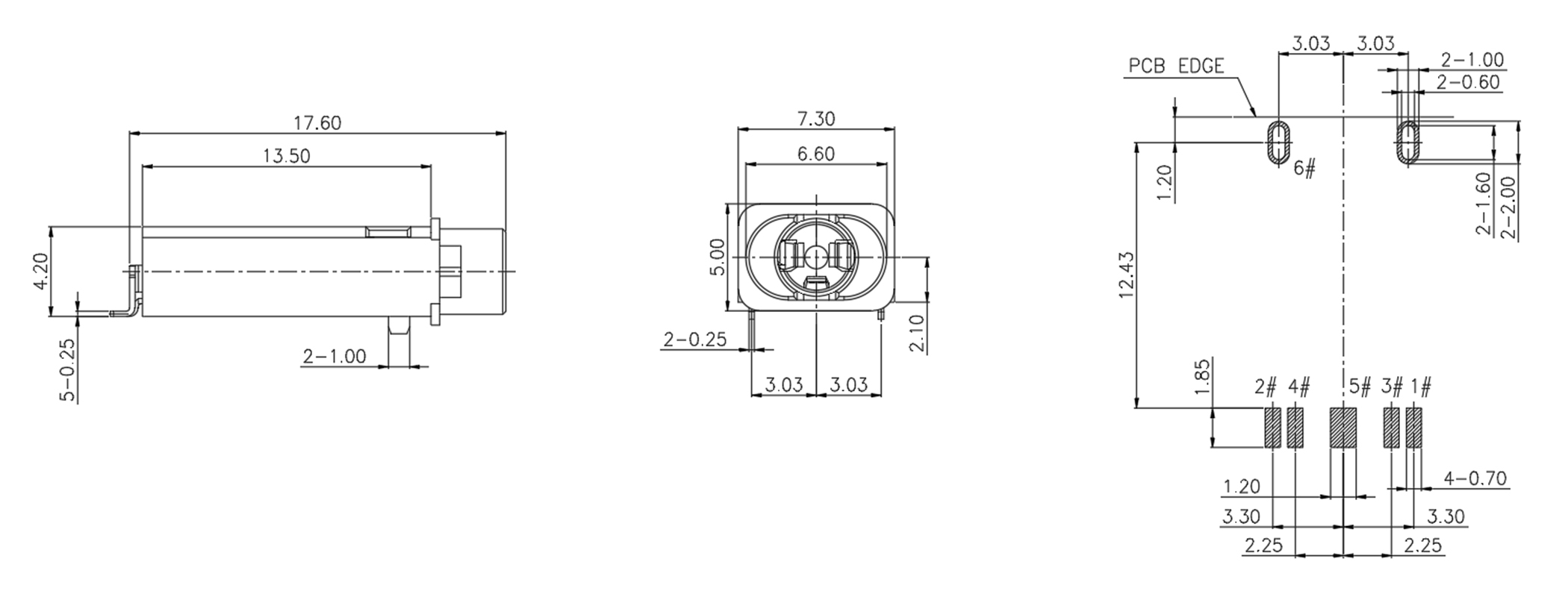
● 插座内芯(Inner core):Ø3.5 | ● 绝缘电阻(Insulation resistance):≥100MΩ |
● 插外孔(0uter hole): | ● 耐电压(Withstand voltage):500VAC for 1 min |
● 温度范围(0perating temp):-25℃ T0+85℃) | ● 操作寿命(0peration life):5000Cycles Min |
● 额定负荷(Rated load):DC12V 1A | ● 插拔力(0perating force):3-30N |
● 接触电阻(Contact resistance):≤0.1Ω | ● 焊接方式(Welding mode): |
● 绝缘电阻(Insulation resistance):≥100MΩ | ● 包装方式(Packing method): |
● 耐电压(Withstand voltage):500VAC for 1 min | ● 最小包装(Minimum packing): |
资料下载
相关推荐
-
PJ-3.5-D34010A-P21U1HB耳机插座 L14.7*W9.5*H5.75*CH3.3 30...
-
PJ-3.5-3015X耳机插座 L17.5*W10.0*H7.5*CH3.0 12...
-
PJ-3.5-3569D-0405A耳机插座 L15.0*W9.3*H7.25*CH4.05 3...
-
PJ-3.5-3108D耳机插座 L14.7*W9.5*H7.45*CH5.0 30...


















































































































