产品介绍
技术参数
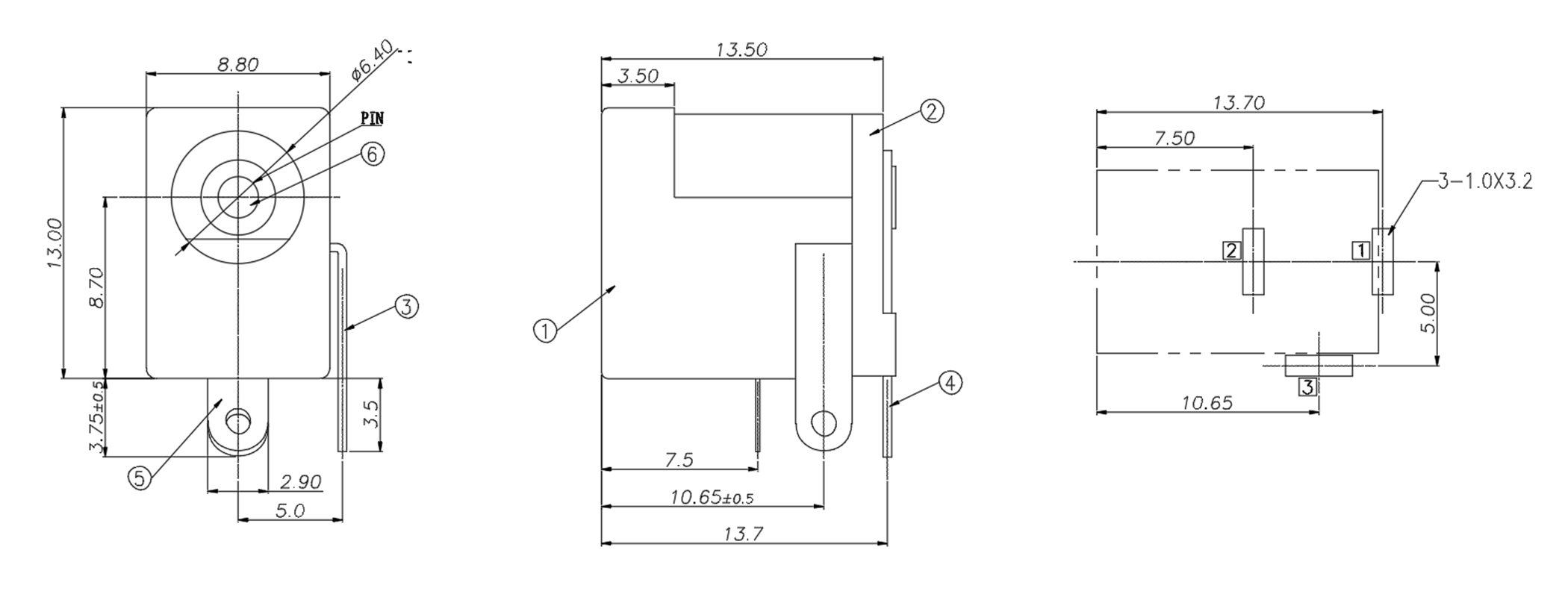
● 插座内芯(Inner core):Ø2.0/2.5 | ● 绝缘电阻(Insulation resistance):≥100MΩ |
● 插外孔(0uter hole): Ø6.4 | ● 耐电压(Withstand voltage):500VAC for 1 min |
● 温度范围(0perating temp):-20℃ T0+70℃) | ● 操作寿命(0peration life):5000Cycles Min |
● 额定负荷(Rated load):DC50V 1A | ● 插拔力(0perating force):3-30N |
● 接触电阻(Contact resistance):≤0.03Ω | ● 焊接方式(Welding mode): |
● 绝缘电阻(Insulation resistance):≥100MΩ | ● 包装方式(Packing method): |
● 耐电压(Withstand voltage):500VAC for 1 min | ● 最小包装(Minimum packing): |
资料下载
相关推荐
-
DC0017XM-XXXXDC插座 L20.0*W9.0*H12.8 24V5A
-
DC1698DC插座 L10.0*W10.0*H14.5*CH5.1 2...
-
DC0144C-01-XXXDC插座 L10.3*W7.2*H11.6*CH3.2 20...
-
DC0144C-02-XXXDC插座 L10.3*W7.2*H11.6*CH3.2 3...


















































































































