产品介绍
技术参数
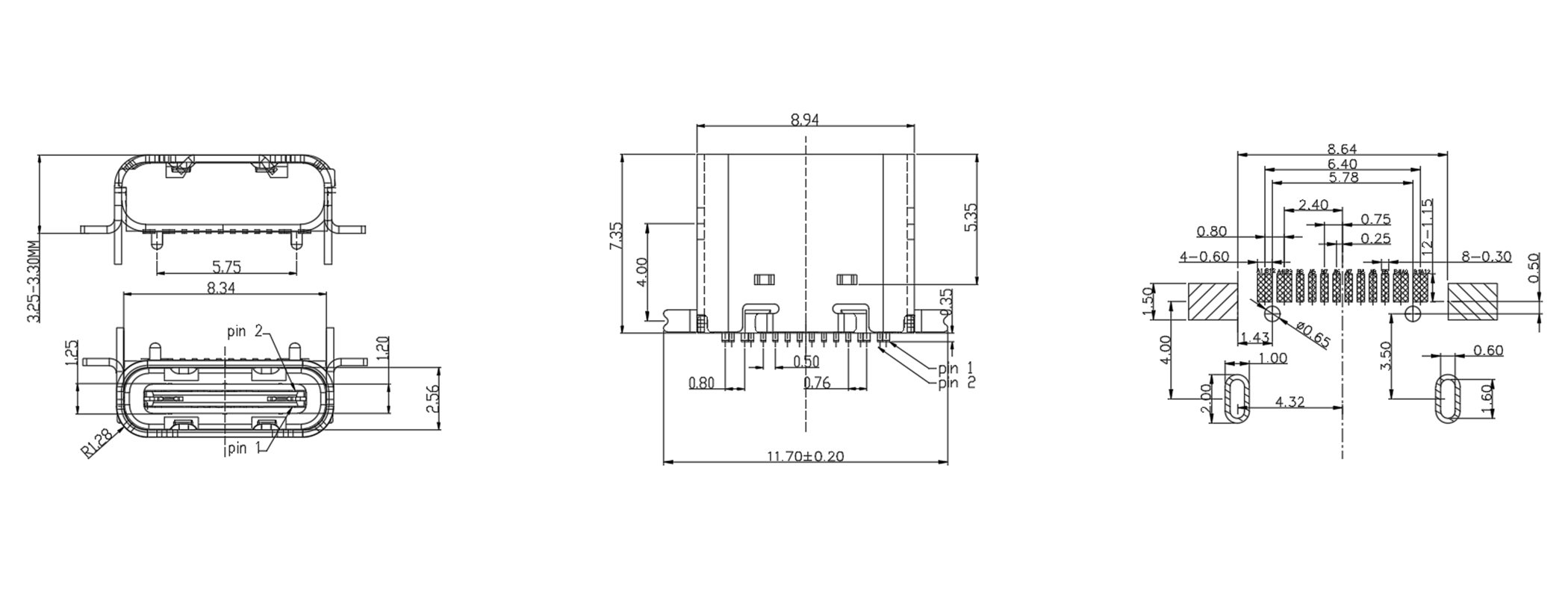
● 插座内芯(Inner core): | ● 绝缘电阻(Insulation resistance):≥100MΩ |
● 插外孔(0uter hole): | ● 耐电压(Withstand voltage):500VAC for 1 min |
● 温度范围(0perating temp): | ● 操作寿命(0peration life): |
● 额定负荷(Rated load):DC30V 3A | ● 插拔力(0perating force):10-35N |
● 接触电阻(Contact resistance):≤0.03Ω | ● 焊接方式(Welding mode): |
● 绝缘电阻(Insulation resistance):≥100MΩ | ● 包装方式(Packing method): |
● 耐电压(Withstand voltage):500VAC for 1 min | ● 最小包装(Minimum packing): |
资料下载
相关推荐
-
TYPEC-A1039 16PIN 立贴式母座H=6.5有弹(TID)TYPEC连接器 L8.84*W6.9 5V5A
-
TYPEC-109 USB 24 PIN 90度母座SMT+DIP 109mm 外壳后盖掏料TYPEC连接器 L9.64*W9.87*H3.16 1.2...
-
TYPEC-A1036 16PIN SMT 防水型母座CH2.38 L7.85脚长0.65(TID)TYPEC连接器 L10.0*W7.85*H4.66 5V5...
-
TYPEC-043TYPEC连接器 L9.47*W8.0*H7.76 5V5A


















































































































