产品介绍
技术参数
● 插座内芯(Inner core): | ● 绝缘电阻(Insulation resistance):≥100MΩ |
● 插外孔(0uter hole): | ● 耐电压(Withstand voltage):100VAC for 1 min |
● 温度范围(0perating temp):-25℃ T0+85℃) | ● 操作寿命(0peration life):10000Cycles Min |
● 额定负荷(Rated load):DC5V 3A | ● 插拔力(0perating force):5-20N |
● 接触电阻(Contact resistance):≤0.05Ω | ● 焊接方式(Welding mode): |
● 绝缘电阻(Insulation resistance):≥100MΩ | ● 包装方式(Packing method): |
● 耐电压(Withstand voltage):100VAC for 1 min | ● 最小包装(Minimum packing): |
资料下载
相关推荐
-
TYPEC-126-F163223-B55TYPEC连接器 L8.94*W7.25*H3.21 20V...
-
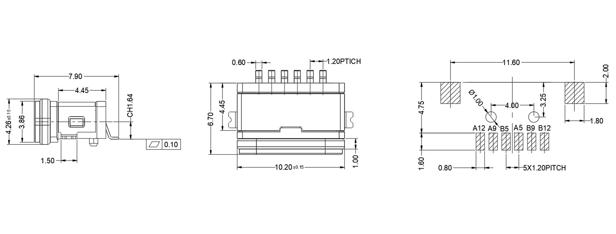
TYPEC-A923 6PIN SMT半包型防水型母座(外壳四脚插)TYPEC连接器 L10.2*W6.7*H4.26 5V3A
-
TYPEC-134 16P立贴带弹 H=5.0TYPEC连接器 L8.94*W3.16*H5.0 5V5A
-
TYPEC-A1193 USB3.1 24P CH=1.5 双贴 防水IPX8长体TYPEC连接器 L9.84*W8.65*H4.06 5V5...


















































































































