产品介绍
技术参数
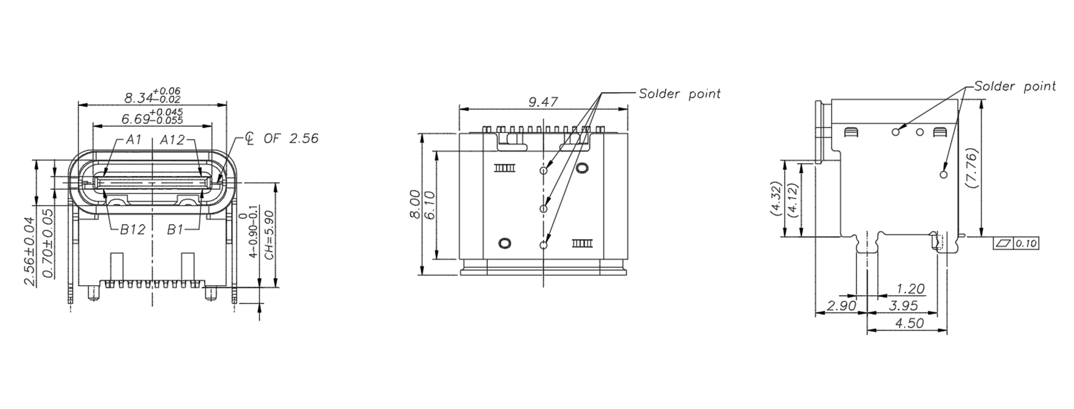
● 插座内芯(Inner core): | ● 绝缘电阻(Insulation resistance):≥100MΩ |
● 插外孔(0uter hole): | ● 耐电压(Withstand voltage):500VAC for 1 min |
● 温度范围(0perating temp):-30℃ T0+80℃) | ● 操作寿命(0peration life)10000Cycles Min |
● 额定负荷(Rated load):DC5V 5A | ● 插拔力(0perating force):5-20N |
● 接触电阻(Contact resistance): | ● 焊接方式(Welding mode): |
● 绝缘电阻(Insulation resistance):≥100MΩ | ● 包装方式(Packing method): |
● 耐电压(Withstand voltage):500VAC for 1 min | ● 最小包装(Minimum packing): |
资料下载
相关推荐
-
TYPEC-065 16P SMT L6.5 沉0.8TYPEC连接器 L8.94*W6.5*H3.16 5V3A
-
TYPEC-126 16P板上型贴板带弹母座(三次模顶)TYPEC连接器 L8.34*W7.35*H2.56 3/5...
-
TYPEC-A1193 USB3.1 24P CH=1.5 双贴 防水IPX8长体TYPEC连接器 L9.84*W8.65*H4.06 5V5...
-
TYPEC-A1039 16PIN 立贴式母座H=6.5有弹(TID)TYPEC连接器 L8.84*W6.9 5V5A


















































































































